Wireless Network dikembangkan melalui kerjasama NETARA dengan perusahaan batubara X yang sama (di Kalimantan Timur), menyempurnakan VSAT network ditahun sebelumnya.
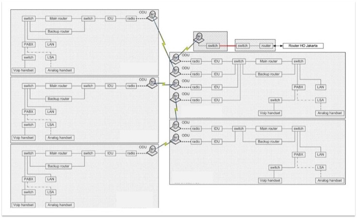
Sejak tahap eksplorasi, perusahaan X ini membutuhkan sistem pendukung transaksi data dan informasi yang tinggi. Pengolahan data teknis maupun non-teknis mengharuskan kemampuan transfer yang cepat, sehingga pertimbangan komersial dapat dilakukan dengan efektif untuk memasuki tahap eksploitasi. Oleh karena itu, solusi IT yang efektif dan efisien dikembangkan untuk mendukung kinerja di dalam perkantoran, baik di pusat maupun cabang. Selain itu, teknologi komunikasi dengan lokasi-lokasi pertambangan, transit bahkan pelabuhan harus dipersiapkan sejak dini. Berikut ini beberapa topologi dan diagram yang dikembangkan bersama antara NETARA dan perusahaan X, sebagai jawaban akan kebutuhan solusi IT yang ekonomis namun tetap memperhitungkan kepentingan jangka panjang demi kelangsungan operasional dan bisnis.
Topologi Wireless Network dan Block Diagram :

